欢迎进入西安久安源电力电子技术有限公司网站!
新闻资讯NEWS CENTER

服务热线029-84422258

常见问答

主页 > 新闻资讯 > 常见问答 >

软启动器工作原理

作者:admin 发布时间:2021-09-08 11:42:32点击:
         软启动器是以晶闸管作为开关器件的一种电力电子产品,主电路的电力电子学名词称之为“交流斩波(降压)调压器”,或“交流电压控制器”。根据电路结构分为单相电压控制器和三相电压控制器。单相电压控制器常用于单相电机的控制、照明控制、电加热控制。三相电压控制器的输出是恒频变压交流电源,常用来驱动三相交流异步电动机,可实现异步电动机的变压调速,或者作为异步电动机的起动器使用,称之为软启动器,这时其输出的电压在异步电动机的起动、升速过程中逐渐上升、控  制异步电动机的起动电流不超过允许值。软启动器的结构原理图如图1所示。
图1 软启动器结构原理图
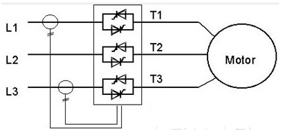
         市场中的软启动器产品,集合了软启动、电机保护功能于一体,并且有多种参数可调,以满足用户在不同的应用环境下的需求。软启动器应用接线示意图如图2所示。
 
图2 软启动器接线示意图
         软启动器采用三相反并联晶闸管作为交流电压控制器,将其接入电源和电动机定子之间。当软启动器启动电动机时,控制系统控制晶闸管的起始导通角,使得晶闸管的输出电压由小到大逐渐增加,电动机的电流、磁场、转矩逐渐增大,电动机逐渐加速。在此过程中,通过控制晶闸管导通角的变化,来控制电动机定子电压的大小,既而控制电动机启动电流在某个确定范围之内,达到了“软”启动电动机的目的。至到晶闸管全导通时,电源的三相电压全部加载到电动机的三相定子绕组上,电动机全压运行,转速达到额定后,定子电流降至正常的空载电流或正常负载电流大小,此时,软启动器自动启动旁路接触器,短路掉三相晶闸管,晶闸管停止触发退出运行,电源三相电压通过旁路接触器直接加载到电动机三相定子绕组上,软启动过程结束。
         软启动器实现了电动机的平滑启动,降价了启动电流对电网的冲击,避免了瞬间启动电流过大而造成上级保护跳闸。旁路接触器的使用,降低了晶闸管的热损耗,延长了软启动器的使用寿命。一些高档的软启动器还提供软停车功能,软停车与软启动过程刚好相反,先启动晶闸管全压运行,断开旁路接触器,电源电压通过三相晶闸管加载到电动机三相定子绕组上,此时控制晶闸管导通角逐渐减小,三相晶闸管的输出电压逐渐降低,电动机的转速逐渐下降,避免了自由停车时的转速波动和转矩冲击。当转速逐渐下降到某一数值时,停止晶闸管触发,电动机失压而停止转动,软停车过程结束。
 
        本文版权归西安久安源电力电子技术有限公司所有,欢迎转载,转载请注明出处。
相关标签: